Navigation
Home News Center Our Brands Product Center Company Profile

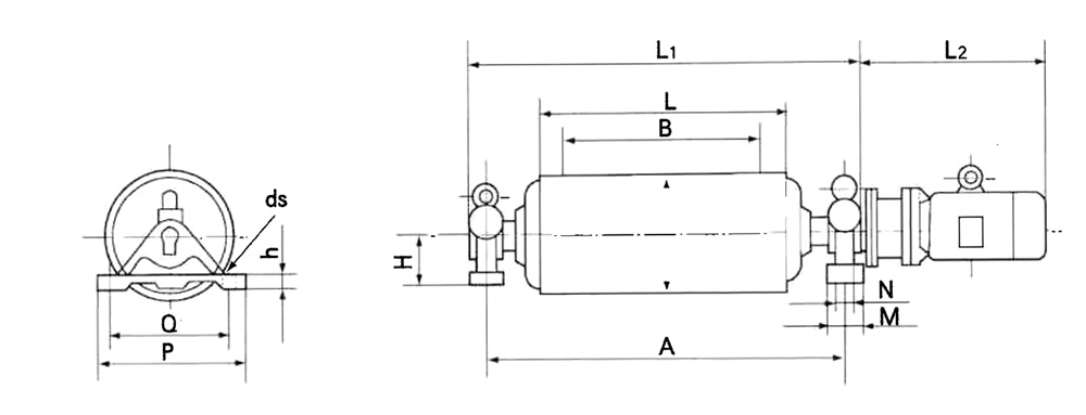
External type electric drum

Product introduction: The motor in the ordinary electric drum is removed, and the drum with the deceleration mechanism in the cylinder is often called the deceleration drum. The deceleration drum is then externally connected to the motor to form the motor-mounted electric roller, often referred to as the external-mounted electric roller.
Ordering Consultation

Service Hotline:

Product Introduction


外装式电动滚筒的型式代号

外装式电动滚筒是介于传统的电机一减速机一传动滚筒的开式传动与普通电动滚簡驱动之间的种输送机驱动装置,它具有电机在外散热性能好,而且容易对电机进行维修或更换等优点。在占有空间位置和制造材料方面,均比开式传动减少三分之ー左右。但比普通电动滚筒又増加三分之ー左右。外装式电动滚筒是目前国内工业要求下的产物,因为从逻辑原理图上分析,主要部件仍属串联联接,而且至少増加一件传动轴。从可靠性上分析,并没有增加可靠性。可是由于它的电机散热性好电机的安装、维修和检查方便,以及在占据空间位置及制造材料上,比老式的开式传动优越,所以国内外装式电动滚筒多用在大功率上。外装式电动滚筒,由于电机散热的优点,在某些大功率场合还是较合适的驱动装置


Return