Navigation
Home News Center Our Brands Product Center Company Profile

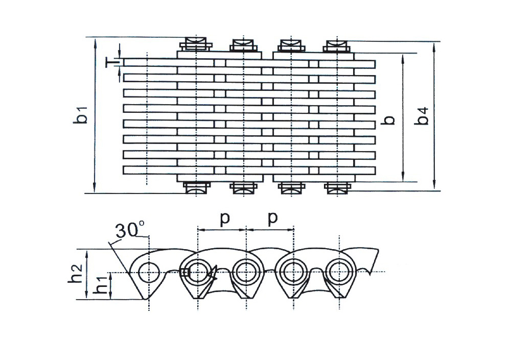
Toothed chain

Uses: It is used to transfer mechanical power chains. It is a type of chain drive and is widely used in household, industrial and agricultural machinery.
Ordering Consultation

Service Hotline:

Product Introduction

Return